産品特點:
耐震(zhen)膜片壓力表内部(bu)充灌阻尼液和配(pei)套緩沖裝置,借🚩贷宝视频🌈具有(yǒu)🤟良好的耐震性能(neng)
産品應用:膜片壓(ya)力表适用于測量(liàng)無爆炸危險、不結(jie)晶、不凝固、有🌈較♌高(gao)粘😄度,但對銅和銅(tong)合金無腐蝕作用(yòng)的液體、氣體或蒸(zhēng)汽📧的壓力。
.jpg)
一.産(chan)品概述
|
YPF系列膜片(pian)壓力表适用于測(cè)量具有一定腐蝕(shí)性、非凝固或非結(jie)晶的各種流體介(jiè)質的壓力或負壓(ya)。膜片壓💁力表耐腐(fǔ)蝕性能取決于膜(mo)片材料。 |
|||||||||||||||||||||||||||||
| 二.結構原(yuán)理 | |||||||||||||||||||||||||||||
|
膜片壓力表由(yóu)測量系統(包括法(fa)蘭接頭、波紋膜片(piàn))、傳🔅動指♌示⭐機構(包(bao)括連杆、齒輪傳動(dong)機構、指針和度盤(pán))和外殼(包括表殼(ke)🔞和罩圈)等組成。膜(mo)片壓力表外殼爲(wèi)防濺結構,具有較(jiào)好的密性,故能保(bǎo)護其内部機構免(mian)受污穢浸入。 膜片(piàn)壓力表的作用原(yuan)理是基于彈性元(yuan)件(測量系統上膜(mó)片🐅)變形。膜片壓力(li)表在被測介質的(de)壓力作用下🔴,迫使(shǐ)膜片🔞産生相應的(de)彈性變形---位移,借(jiè)助連🔅杆組經傳動(dong)機構的傳動并予(yǔ)放大,由固定于齒(chi)輪上的指針逐将(jiāng)被測值在度盤上(shang)指示出來。 |
|||||||||||||||||||||||||||||
| 三.主要(yao)技術指示 | |||||||||||||||||||||||||||||
|
精确度(du)等級:2.5 四.産品型号 |
|||||||||||||||||||||||||||||
|
|||||||||||||||||||||||||||||
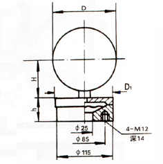
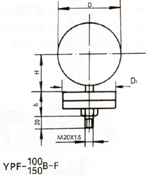
| 五.标度範圍、外(wài)形尺寸及重量 | |||||||||||||||||||||||||||||
|
|||||||||||||||||||||||||||||
| *0~40、-40~0、±20KPa規格承壓部尺(chǐ)寸D1爲φ85 | |||||||||||||||||||||||||||||
| 六.導壓系統(tǒng)及外殼等主要零(ling)件的材質 | |||||||||||||||||||||||||||||
|
|||||||||||||||||||||||||||||
|
|||||||||||||||||||||||||||||
|
|||||||||||||||||||||||||||||
|
|||||||||||||||||||||||||||||


•